同步电机励磁柜
时间:2023-03-24 17:51:11 点击:



一,概述同步电动机可以通过调节其励磁电流来改善电网的功率因数,因而在不需要调速的低速大功率机械中得到较广泛的应用。随着变频技术的不断发展,同步电动机的起动和调速问题都得到了解决,从而进一步扩大了其应用范围。本文先介绍了同步电机及同步电动机的工作原理,而后就同步电动机的异步起动和变频起动进行了Simulink仿真,并作简要分析。

1 同步电机的基本原理

同步电机和感应电机一样是一种常用的交流电机。特点是稳态运行时,转子的转速和电网频率之间有不变的关系n=ns=60f/pns称为同步转速。若电网的频率不变,则稳态时同步电机的转速恒为常数而与负载的大小无关。

  同步电机分为同步发电机和同步电动机。现代发电厂中的交流机以同步电机为主。   

1.1工作原理 

  主磁场的建立:励磁绕组通以直流励磁电流,建立极性相间的励磁磁场,即建立起主磁场。

  载流导体:三相对称的电枢绕组充当功率绕组,成为感应电势或者感应电流的载体。

  切割运动:原动机拖动转子旋转(给电机输入机械能),极性相间的励磁磁场随轴一起旋转并顺次切割定子各相绕组(相当于绕组的导体反向切割励磁磁场)。

  交变电势的产生:由于电枢绕组与主磁场之间的相对切割运动,电枢绕组中将会感应出大小和方向按周期性变化的三相对称交变电势。通过引出线,即可提供交流电源。

交变性与对称性:由于旋转磁场极性相间,使得感应电势的极性交变;由于电枢绕组的对称性,保证了感应电势的三相对称性。

image.png 

1 同步电机的三种运行状态

a)发电机 b)补偿机 c)电动机

1.2运行方式 

同步电机的主要运行方式有三种,即作为发电机、电动机和补偿机运行。 作为发电机运行是同步电机最主要的运行方式,作为电动机运行是同步电机的另一种重要的运行方式。同步电动机的功率因数可以调节,在不要求调速的场合,应用大型同步电动机可以提高运行效率。近年来,小型同步电动机在变频调速系统中开始得到较多地应用。 同步电机还可以接于电网作为同步补偿机。这时电机不带任何机械负载,靠调节转子中的励磁电流向电网发出所需的感性或者容性无功功率,以达到改善电网功率因数或者调节电网电压的目的。分析表明,同步电机运行于哪一种状态,主要取决于定子合成磁场与转子主极磁场之间的夹角δδ称为功率角。

若转子主磁场趋超前于定子合成磁场,δ0,此时转子上将受到一个与其旋转方向相反的制动性质的电磁转矩,如图1a)所示。为使转子能以同步转速持续旋转,转子必须从原动机输人驱动转矩。此时转子输入机械功率,定子绕组向电网或负载输出电功率,电机作发电机运行。

若转子主极磁场与定子合成磁场的轴线重合,即δ0,则电磁转矩为零,如图1b)所示。此时电机内没有有功功率的转换,电机处于补偿机状态或空载状态。

若转子主极磁场滞后于定子合成磁场,即δ0,则转子上将受到一个与其转向相同的驱动性质的电磁转矩,如图1c)所示。此时定子从电网吸收电功率,转子可拖动负载而输出机械功率.电机作为电动机运行。

1.3基本结构

同步电机按其结构型式可分为旋转电枢式和旋转磁极式两种。在实际应用中,需要通过滑环将电功率自转子部分导入或者引出。由于同步电机的电枢功率极大,电压较高,因而不容易由滑环导入或引出。由于励磁绕组的功率与电枢的功率相比,所占比例较小,励磁电压通常又较低,因此使磁极旋转,通过滑环为励磁绕组供电容易实现。因此旋转电枢式只适用于小容量同步电机,同步电机的基本结构形式是旋转磁极式。同步电机的基本结构与直流电机和异步电机相同,都是由定子与转子两大部分组成。

image.png

    2旋转电枢式同步电机                 3旋转磁极式同步电机

a)隐极式b)凸极式

1.3.1定子

由铁心、电枢绕组、机座以及端盖等结构件组成。

定子铁心是构成磁路的部件,一般采用硅钢片叠装而成,以减少磁滞和涡流损耗。定子冲片分段叠装,每段之间有通风槽片,以构成径向通风。大型同步电机由于尺寸太大,硅钢片常为扇形冲片,然后组装成圆形。

电枢绕组为三相对称交流绕组,多为双层绕组,嵌装在定子槽内。

定子机座是支承部件,用于安放定子铁心和电枢绕组,并构成所需的通风路径,因此要求它有足够的刚度和强度。大型同步电机的机座都采用钢板焊接结构。

端盖的作用与异步电机相同,将电机本体的两端封盖起来,并与机座、定子铁心和转子一起构成电机内部完整的通风系统。

1.3.2转子

与异步电机转子结构不同,通常由转子铁心、转轴、阻尼绕组、励磁绕组和滑环等组成。同步电机的转子结构有两种类型,可分为隐极式和凸极式两种。

隐极式转子如图3a)所示,转子呈圆柱形,无明显的磁极。隐极式转子的圆周上开槽,槽中嵌放分布式直流励磁绕组。隐极式转子的机械强度高,故多用于高速同步电机,例如汽轮发电机。在同步电机运行过程中,转子由于高速旋转而承受很大的机械应力,所以隐极式转子大多由整块强度高和导磁性能好的铸钢或锻钢加工而成。隐极电机的气隙是均匀的,圆周上各处的磁阻相同。

凸极式转子如图3b)所示,结构比较简单,磁极形状与直流机相似,磁极上装有集中式直流励磁绕阻。凸极式转子制造方便,容易制成多极,但是机械强度低,多用于中速或低速的场合,例如水轮发电机或者柴油发电机。凸极电机的气隙是不均匀的,圆周上各处的磁阻各不相同,在转子磁极的几何中线处气隙最大,磁阻也大。

此外,同步电机转子磁极表面都装有类似笼型异步电机转子的短路绕组,由嵌入磁极表面的若干铜条组成,这些铜条的两端用短路环联结起来。此绕组在同步发电机中起到了抑制转子机械振荡的作用,称为阻尼绕组;在同步电动机中主要作起动绕组使用,同步运行时也起稳定作用。

滑环装在转子轴上,经引线接至励磁绕组,并借电刷接到励磁装置。

2 同步电动机

转子转速与定子旋转磁场的转速相同的交流电动机。其转子转速n与磁极对数p、电源频率f之间满足n=f/p。转速n决定于电源频率f,故电源频率一定时,转速不变,且与负载无关。具有运行稳定性高和过载能力大等特点。常用于多机同步传动系统、精密调速稳速系统和大型设备(如轧钢机)属于交流电机,定子绕组与异步电动机相同。它的转子旋转速度与定子绕组所产生的旋转磁场的速度是一样的,所以称为同步电动机。正由于这样,同步电动机的电流在相位上是超前于电压的,即同步电动机是一个容性负载。为此,在很多时候,同步电动机是用以改进供电系统的功率因数的。

  同步电动机在结构上大致有两种:

  1、转子用直流电进行励磁。它的转子做成极式的,安装在磁极铁芯上面的磁场线圈是相互串联的,接成具有交替相反的极性,并有两根引线连接到装在轴上的两只滑环上面。磁场线圈是由一只小型直流发电机或蓄电池来激励,在大多数同步电动机中,直流发电机是装在电动机轴上的,用以供应转子磁极线圈的励磁电流。

  由于这种同步电动机不能自动启动,所以在转子上还装有鼠笼式绕组而作为电动机启动之用。鼠笼绕组放在转子的周围,结构与异步电动机相似。

  当在定子绕组通上三相交流电源时,电动机内就产生了一个旋转磁场,鼠笼绕组切割磁力线而产生感应电流,从而使电动机旋转起来。电动机旋转之后,其速度慢慢增高到稍低于旋转磁场的转速,此时转子磁场线圈经由直流电来激励,使转子上面形成一定的磁极,这些磁极就企图跟踪定子上的旋转磁极,这样就增加电动机转子的速率直至与旋转磁场同步旋转为止。

  2、转子不需要励磁的同步电机

  转子不励磁的同步电动机能够运用于单相电源上,也能运用于多相电源上。这种电动机中,有一种的定子绕组与分相电动机或多相电动机的定子相似,同时有一个鼠笼转子,而转子的表面切成平面。所以是属于极转子,转子磁极是由一种磁化钢做成的,而且能够经常保持磁性。鼠笼绕组是用来产生启动转矩的,而当电动机旋转到一定的转速时,转子极就跟住定子线圈的电流频率而达到同步。极的极性是由定子感应出来的,因此它的数目应和定子上极数相等,当电动机转到它应有的速度时,鼠笼绕组就失去了作用,维持旋转是靠着转子与磁极跟住定子磁极,使之同步

3 同步电动机的起动

    3.1同步电动机为什么不能直接起动?

同步电机仅在同步转速时才能产生恒定的同步电磁转矩。起动时若把定子直接投入电网,转子加上直流励磁,则定子旋转磁场以同步转速旋转,而转子磁场静止不动。定、转子磁场之间具有相对运动,所以作用在转子上的电磁转矩快速地正、负交变,平均转矩为零,电机不能自行起动。因此,要把同步电动机起动起来,必须借助于其它方法。

   3.2同步电动机的异步起动

多数同步电动机都用异步起动法来起动。为此,在电动机的主极极靴上装设起动绕组(相当于感应电动机转子上的笼型绕组)。

同步电动机异步起动时的线路如图4所示。起动时,先把励磁绕组接到限流电阻,然后接到三相交流电网。这洋,依靠定子旋转磁场和转子起动绕组中感应电流所产生的异步电磁转矩,电机便能起动起来。待转速上升到接进于同步转速时,再将励磁电流接入励磁绕组,使转子建立主磁场;此时依靠定、转子磁场相互作用所产生的同步电磁转矩,再加上凸极效应所引起的磁阻转矩,通常便可将转子牵人同步。一般来讲,负载越轻,加人直流励磁时电动机的转差率越小,就越易进入同步。

image.png

4 同步电动机异步起动时的线路图       图5同步电动机异步起动时的转矩曲线

    起动绕组所产生的转矩Te(起动)类似于感应电动机的异步电磁转矩,如图5所示。当转速达到0.95ns(即转差率=0.05)时,起动绕组所产生的异步转矩值称为牵人转矩。起动时,要求起动转矩Tst大,牵入转矩Tpi也要大。

异步起动时,励磁绕组不能开路,否则定子旋转磁场会在匝数较多的励磁绕组中感应出高电压,易使励磁绕组击穿或引起人身事故。但也不能直接短路,否则励磁绕组(相当于一个单相绕组)中的感应电流与气隙磁场相作用,会产生显著的“单轴转矩”Te(单轴),使合成电磁转矩Te0.5ns附近产生明显的下凹(见图5),使重载起动时电动机的转速停滞在0.5ns附近而不能继续上升。为减小单轴转矩,可在励磁绕组内接人一个限流电阻,其阻值约为励磁绕组本身电阻的510倍。

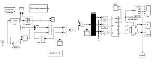
3.2.1同步电动机异步起动的Simulink仿真image.png

6 同步电动机异步起动的仿真模型

image.png 

7 同步电动机异步起动的仿真结果

这个模型演示了一个60kVA 400V 50HZ的同步电动机的异步起动过程。在这个模型中,励磁电流(Idf)和增益模块(R_start)用于实现励磁绕组的电阻联结。通过在t =0.1s关闭断路器,电机由空载起动。 开始励磁绕组连接一个2倍标幺值的电阻,当转子转速达到0.99倍标幺值时,“R_start”电阻器从励磁绕组端断开,并由额定的励磁直流电源取代。同时,一秒内机械功率从零增加到50%额定机械功率(即Pm= -0.5pu)。在大概t=1.3s时,电动机锁定在同步转速。

3.3同步电动机的变频起动

同步电动机变频启动控制系统是大型同步电动机的理想启动设备,具有起动平稳,不存在失步问题,对电网也完全没有冲击,可靠性高,具有较好的应用前景和较高的研究价值。这种方法通过改变定子旋转磁场转速,利用同步转矩来起动。在开始起动时,转子通入直流,然后使变频电源的频率从零缓慢上升,逐步增加到额定频率,使转子的转速随着定子旋转磁场的转速而同步上升,直到额定转速。

3.3.1同步电动机变频起动simulink仿真

image.png 

8 同步电动机变频起动仿真模型

image.png 

9 同步电动机变频起动时的频率变化曲线

image.png 

10 同步电动机变频起动时受控源电压波形

image.png 

11 同步电动机变频起动时的转子转速仿真结果

这个模型演示了一个同步电动机的变频起动过程。在这个模型中,电机由受控电压源供电,频率按时间的正比变化从零逐渐增加到额定频率。由于在额定频率以下,如果电压一定而只降低频率,那么气隙磁通就要过大,造成磁路饱和,严重时烧毁电动机。因此为了保持气隙磁通不变,就要求在降低供电频率的同时降低输出电压,保持u/f=常数,即保持电压与频率之比为常数进行控制。这种控制方式为恒压频比控制方式,又称恒磁通控制方式。

    从仿真结果分析,同步电动机变频起动时电机的转速曲线还比较理想。

4 结论

同步电动机以其可调的功率因数和输出转矩对电网电压波动不敏感等良好的运行性能,在大功率电气传动领域独占鳌头,是驱动大型风机、水泵、压缩机、高炉鼓风机、短路实验机组的优选机型,更是抽水蓄能电站必不可少的关键设备。同步电动机的起动是一个复杂的过程,除了上述两种方法外。还可以用辅助电动机拖动法起动,此时通常选用一台和同步电动机极数相同的小型感应电动机(容量约为主机的1015作为辅助电动机。当辅助电机把主机拖到接近同步转速时,再用自整步法把主机投入电网。

由于同步电动机存在起动困难的缺点,使它的应用在很大程度上受到了限制。通常采用的异步起动方法,依靠阻尼绕组进行起动,对电力系统的扰动将十分严重,一般是不允许的。但是随着电力电子技术和计算机技术的发展,变频装置作为同步电动机的软起动设备解决了同步电动机起动困难的问题,从根本上改变了同步电动机在调速领域的应用。

 

 

参考文献:[1]电机学. 汤蕴璆. 史乃. 机械工业出版社. 2002

[2]电机及其系统的仿真分析. 电气工程学院电机与电器系. 2002

[3]MATLAB软件的使用(matlab的帮助文档和网上查阅)

 


上一篇:Y一APF有源电力滤波器

下一篇:DZDW3000系列直流电源柜